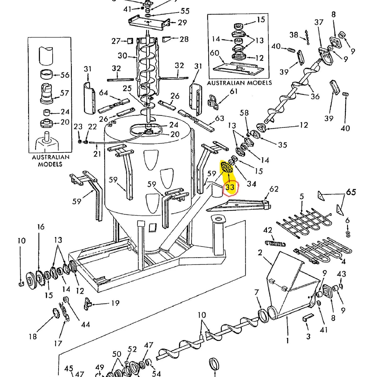
Bevel Gear 18T – Aftermarket
Part # 717794
Aftermarket 18 tooth bevel gear for tank unloading auger and drive
For New Holland Grinder Mixers – 340, 350, 351, 352, 353, 354, 355, 357
*Replaces # 141941
*Part is sold with oiled machined finish “no paint or zinc plating”
![]() |
New Holland Grinder Mixer Parts New Holland Aftermarket Parts Aftermarket Parts Main Page |
ABC Groff, Inc
Quality Aftermarket John Deere and New Holland Parts
Supplying quality aftermarket parts to help meet the needs of older farm equipment. Parts available for skid steer loaders, sickle bar mowers, disc mowers, mower conditioners, rakes, tedders, hay inverters, rake/tedders, round balers, square balers, plows, discs, planters, harvesters, corn pickers, elevators, manure spreaders, and grinder mixers.









What others are saying
There are no contributions yet.