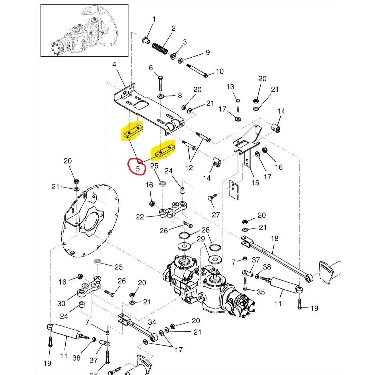
Centering Block
Part # 87541049
Aftermarket centering block for neutralizer plate on skid steer loaders
For New Holland Skid Steer Loaders – Models L465 LX465 LX485 L565 LX565 LX665 LS160 LS170 L160 L170 L175 C175 L213 L215 L216 L218 L220
*Replaces # 9846688, 86526532, 87039346
*Part is zinc plated
![]() |
New Holland Skid Steer Loader Parts New Holland Aftermarket Parts Aftermarket Parts Main Page |
ABC Groff, Inc
Quality Aftermarket John Deere and New Holland Parts
Supplying quality aftermarket parts to help meet the needs of older farm equipment. Parts available for skid steer loaders, sickle bar mowers, disc mowers, mower conditioners, rakes, tedders, hay inverters, rake/tedders, round balers, square balers, plows, discs, planters, harvesters, corn pickers, elevators, manure spreaders, and grinder mixers.









What others are saying
There are no contributions yet.