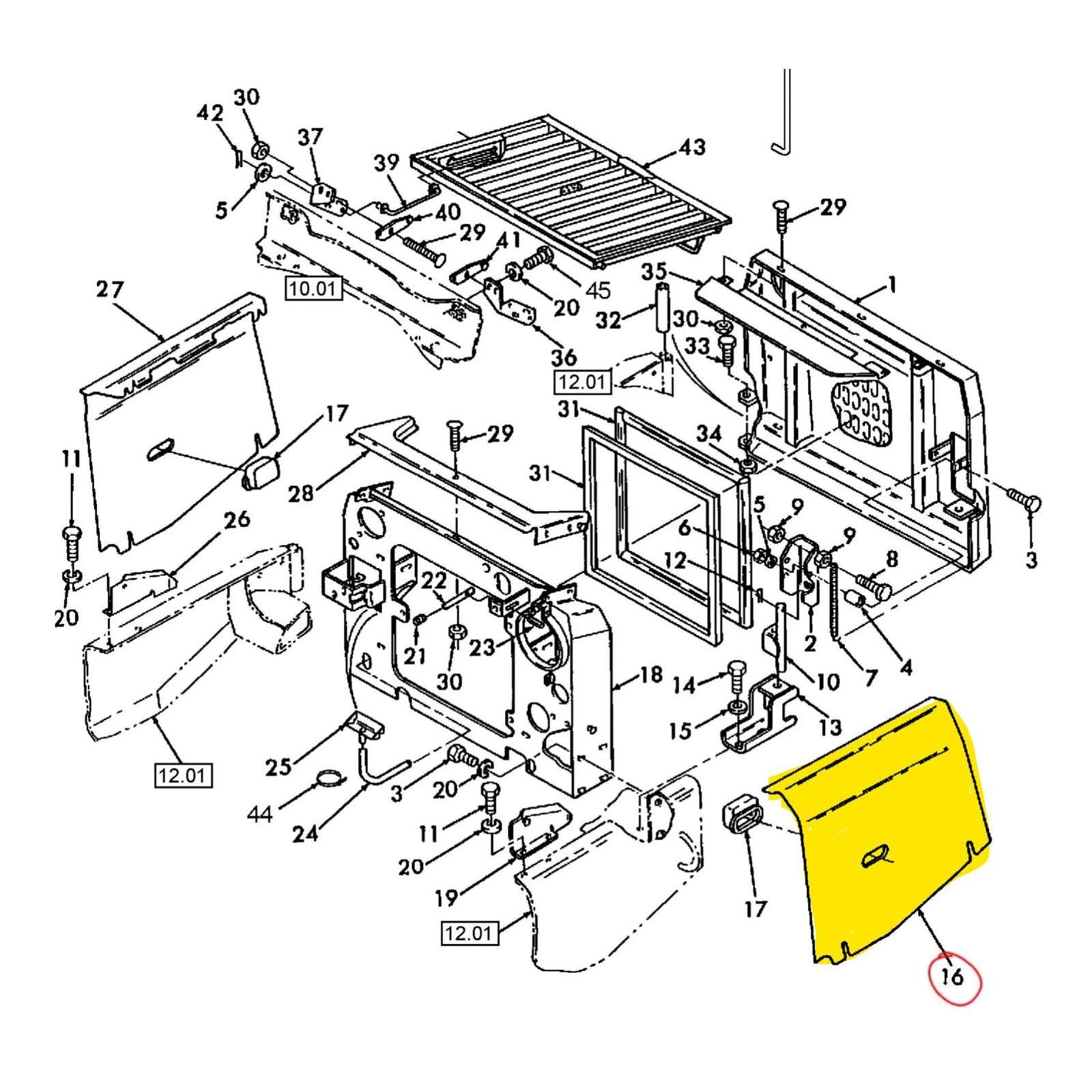
Left Engine Panel
Part # 86591125
Aftermarket left hand side engine panel for skid steer loaders
For New Holland Skid Steer Loaders – Models L565, LX565, LX665, LS160 (bsn LMU024133), LS170 (bsn LMU024443)
*Replaces part # 86541666, 86533560, 9801424
*Powder coated bright yellow
![]() |
New Holland Skid Steer Loader Parts New Holland Aftermarket Parts Aftermarket Parts Main Page |
ABC Groff, Inc
Quality Aftermarket John Deere and New Holland Parts
Supplying quality aftermarket parts to help meet the needs of older farm equipment. Parts available for skid steer loaders, sickle bar mowers, disc mowers, mower conditioners, rakes, tedders, hay inverters, rake/tedders, round balers, square balers, plows, discs, planters, harvesters, corn pickers, elevators, manure spreaders, and grinder mixers.








What others are saying
There are no contributions yet.