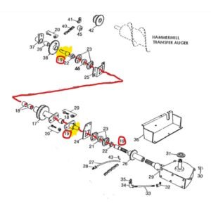
Sprocket 23T
Part # 645245
Aftermarket 23 tooth sprocket for 1000 rpm pump drive.
For New Holland Grinder Mixers – Model 358
*Part is painted red
![]() |
New Holland Grinder Mixer Parts New Holland Aftermarket Parts Aftermarket Parts Main Page |
ABC Groff, Inc
Quality Aftermarket John Deere and New Holland Parts
Supplying quality aftermarket parts to help meet the needs of older farm equipment. Parts available for skid steer loaders, sickle bar mowers, disc mowers, mower conditioners, rakes, tedders, hay inverters, rake/tedders, round balers, square balers, plows, discs, planters, harvesters, corn pickers, elevators, manure spreaders, and grinder mixers.









What others are saying
There are no contributions yet.