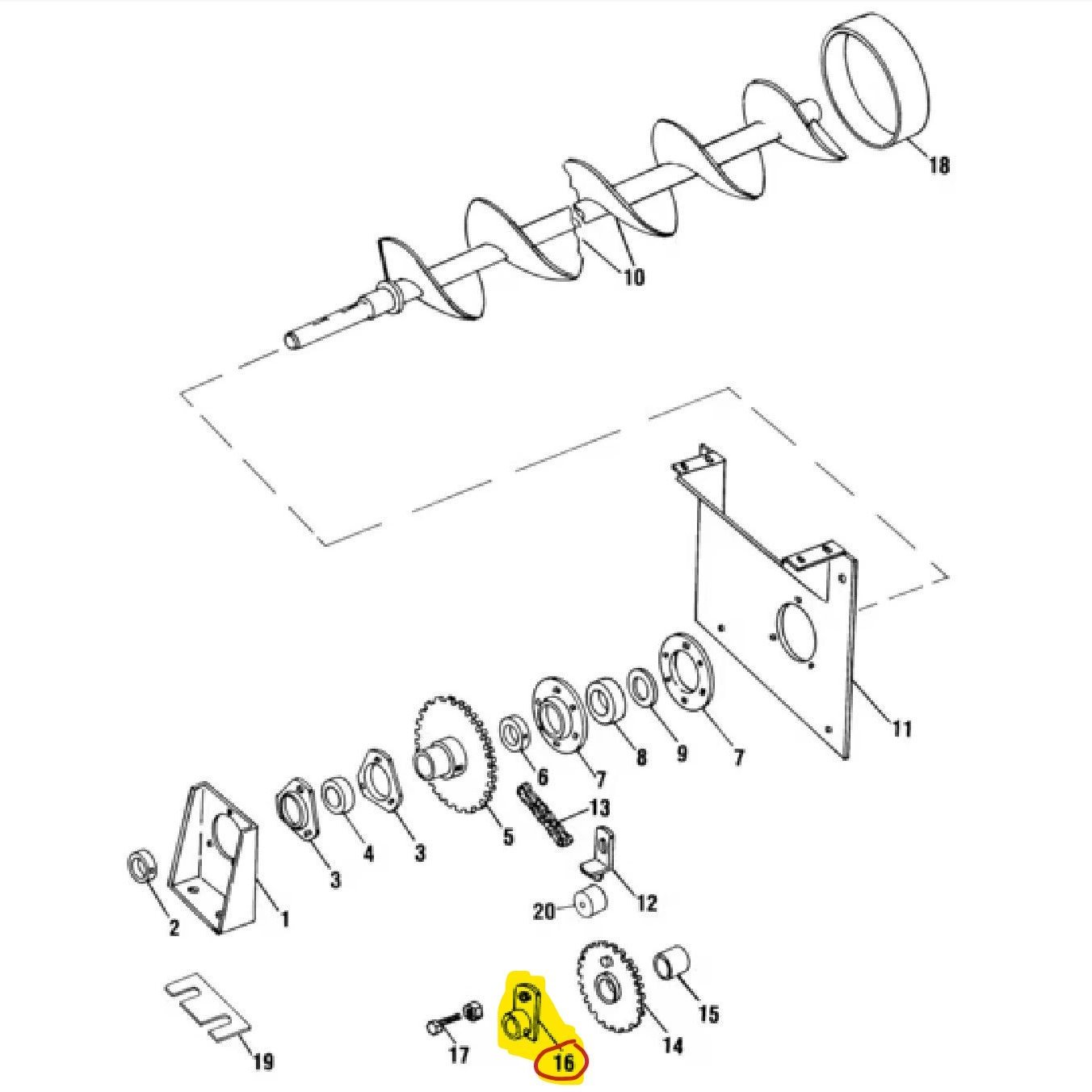
Shear Bolt Hub
Part # 253649
Aftermarket shear bolt hub on hammer mill auger drive.
For New Holland Grinder Mixers – Models 357, 358
*Part is powder coated red
![]() |
New Holland Grinder Mixer Parts New Holland Aftermarket Parts Aftermarket Parts Main Page |
ABC Groff, Inc
Quality Aftermarket John Deere and New Holland Parts
Supplying quality aftermarket parts to help meet the needs of older farm equipment. Parts available for skid steer loaders, sickle bar mowers, disc mowers, mower conditioners, rakes, tedders, hay inverters, rake/tedders, round balers, square balers, plows, discs, planters, harvesters, corn pickers, elevators, manure spreaders, and grinder mixers.









What others are saying
There are no contributions yet.